Общество с ограниченной ответственностью
"Научно-техническая производственная фирма "Эталон"
455030, Россия, Магнитогорск, Западное шоссе, 15
(3519) 580-155, mail@ntpf-etalon.ru

Горелки с принудительной подачей воздуха низкого давления типа ГА

Страница для печатиСтраница для печати
Горелки

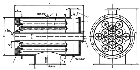
Горелка ГА: 1-газовая камера; 2-газовый патрубок; 3-газовая трубка с наконечником; 4-штуцер для манометра (воздух); 5-футеровка; 6-воздушный патрубок; 7-штуцер для манометра (газ); 8-смотровая труба.

Горелки

Примечание: Н-низкого, С-среднего давления.

Горелки могут работать при подаче в них газа низкого давления — 1,3 кПа (серия Н) и среднего давления — 30 кПа (серия С). Давление воздуха перед горелкой около 1,0 кПа. Горелки состоят из газовой камеры с трубной доской, в которой установлены газовые трубы с наконечниками, имеющими закручивающие лопатки и газовыпускные отверстия. Горелка, по существу, является блоком газовых элементов, объединенных общим воздушным корпусом. Тепловая мощность горелок определяется числом отдельных смесительных элементов, каждый из которых является самостоятельным устройством, где происходит смешение струек газа, выходящих из конического насадка элемента под углом к продольной оси, и закрученного направляющими лопатками потока воздуха. Для стабилизации пламени применяют, как правило, короткий керамический туннель с внезапным расширением. Пространство между элементами у выходного отверстия горелки во избежание перегрева футеруется шамотом или жароупорным бетоном. Для наблюдения за горением и розжига горелки переносным запальником имеется труба, в которую при отсутствии газа можно устанавливать мазутную форсунку.

© ООО "НТПФ "Эталон"